Ce VFO à base de PIC 18F4525 et DDS AD9850 est équipé d'un affichage LCD intégré, ce qui évite l'ajout d'un fréquencemètre externe pour la visu de la fréquence. La fréquence est réglable par encodeur rotatif, des poussoirs permettent de sélectionner les trois bandes basses 80, 40 et 30m.
---=oO(#)0o=---
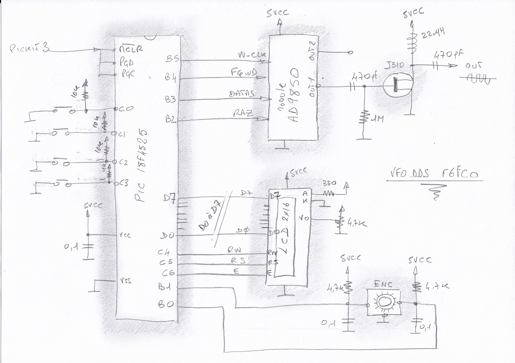
Schéma de principe. En sortie un petit préampli HF à FET booste le signal à 1.3v cc. Une entrée pour le Pickit3 est prévue pour pouvoir intervenir directement sur la carte en cas de modifications ou mises à jour ultérieures.

Schéma Eagle définitif et complet.

Petite vidéo du vfo dds avec encodeur et chargement série en test sur ma platine d'expérimentation PICplatine V4_40. pour PIC 40pins. On peut entendre la porteuse sur mon récepteur de trafic câlé sur 7012Khz. Je n'ai pas réalisé ce PCB, comme je m'amuse pas mal avec les VFO's en ce moment en testant divers modes d'affichage je risque de me retrouver au final avec un tas de circuits dont je n'aurai pas l'utilité, qui risquent fort de terminer au fond d'un carton et de tomber dans les oubliettes. Néanmoins pour ceux qui voudraient le réaliser il fonctionne parfaitement, petite lubie de programmeur j'ai implémenté un petit jingle pour me présenter sur la QRG et faire sourire les copains.
# MCBDLS #
---=oO(#)0o=---
Code hexa du VFO pour PIC18F4525 et affichage LCD1602, variation de fréquence par encodeur rotatif.